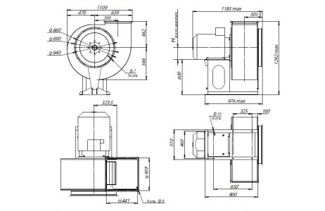
Радиальный вентилятор общего назначения ВР-300-45
Среднего давления
Встроенные термодатчики
Корпус из оцинкованной стали
Направление вращения - правое и левое
Радиальные вентиляторы общего назначения применяются в стационарных системах вентиляции, кондиционирования, воздушного отопления, технологических установках и т.д.
Они предназначены для перемещения невзрывоопасных газовых сред с температурой не выше 80 С для обычного исполнения (до 200 С для теплостойкого исполнения Ж2), содержащих твердые примеси не более 0,1 г/м3, не содержащих липких веществ и волокнистых материалов.
Гарантийный срок эксплуатации - 18 месяцев








